Sestava pro dům Aband 10000 l Evolution
Kód: 04-ABARP10000NSouvisející produkty
Detailní popis produktu
Kompletní sestava pro využití dešťové vody v domácnosti s nádrží Aband 10000 l
Komponenty
- Podzemní nádrž na dešťovou vodu Aband 10000 l
- Filtrační koš pod nátok do nádrže. Možnost zvolení dimenze v DN 110, DN 125, DN 160
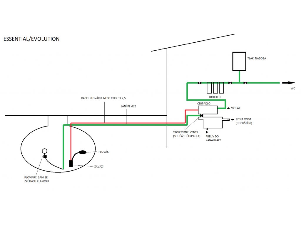
- Automatická jednotka Ecorain Evolution pro čerpání dešťové vody s přepínáním na vodu z řadu s hlavním cílem dát přednost použití dešťové vody místo vody z vodovodu
- Plovoucí sací souprava se zpětnou klapkou 1,5 m dlouhou s plovákem a sítkem, aby byla nasávána co nejčistší voda (ne ze dna ani z hladiny)
- Třístupňový domovní filtr Atlas Hydra Rainmaster Trio s aktivním uhlím
- Bezúdržbová tlaková nádoba 24 l pro prodloužení životnosti čerpadla (šetří počet sepnutí a tlumí rázy při odběrech)
- Souprava pro uchycení tlakové nádoby na zeď
Řešení splňuje platnou legislativu a požadavky správců vodovodů.
Objem nádrže 10000 l doporučujeme pro půdorysné plochy střech od 230 do cca 280 m2.
Jedná se o skutečně kvalitní monolitickou nádrž, při jejíž výrobě je dbáno na statické vlastnosti a každý kus prochází přísnou výstupní kontrolou!
Nátok standardně vrtáme v dimenzi DN 160 a přepad v dimenzi DN 110. Na přání ale lze velikost dimenze změnit. Umístění nátoku a přepadu si lze vybrat, neboť je možný ze všech 4 stran.
Síla stěny akumulační nádrže je v průměru 12 mm. Krytí válce nádrže může být bez dalšího statického posouzení a zajištění max. 650 mm.
K podzemní nádrži je možné zakoupit nástavec pro hlubší uložení a k poklopu bezpečnostní plastový zámek.
Nádrže jsou vyráběny v České republice metodou rotačního tváření polyetylenu do formy (rotomoulding), což umožňuje bezešvé provedení.
Nádrže Aband nesmí být instalovány do míst s pojezdem automobilů. Zvládají pouze pochozí zatížení nebo zahradní sekačku.
Podzemní nádrže Aband nejsou určeny do podzemní vody, pro tu máme speciální nízké robustní nádrže Iris nebo Li-Lo. Obetonování nádrží Aband není přípustné. Nádrže Aband je třeba obsypávat drceným kamenivem frakce 0-16 mm. Stejně tak jako podklad slouží drcené kamenivo frakce 0-16 mm v tloušce 150 – 200 mm. Základová vrstva by měla být hutněna vibrační deskou min. 100 kg.
Sestava obsahuje automatickou jednotku Ecorain Evolution pro čerpání dešťové vody s přepínáním na vodu z řadu s hlavním cílem dát přednost použití dešťové vody místo vody z vodovodu.
Třístupňová filtrace s aktivním uhlím zajistí nejvyšší kvalitu čištění dešťové vody.
Sestava obsahuje vhodné příslušenství pro využití dešťové vody v domě.
Doplňkové parametry
| Kategorie: | Kompletní sestavy s domácí vodárnou |
|---|---|
| Hmotnost: | 350 kg |
| Objem v litrech: | 10000 |
| Typ nádrže: | Monolitická |
| Materiál: | Polyetylen |
| Maximální možnost zatížení: | Pochozí |
| Počet otvorů: | 4 |
| Dimenze nátoku a přepadu: | DN 110, DN 125, DN 160 |
| ? Maximální krytí v mm: | 650 |
| Vhodný obsyp: | Drcené kamenivo 0/16 |
| Vhodné do podzemní vody: | Ne |
| Délka: | 322 cm |
| Šířka: | 235 cm |
| Výška: | 275 cm |
| Záruka na nádrž: | 10 let |
| Záruka na domácí vodárnu: | 2 roky |
Buďte první, kdo napíše příspěvek k této položce.
Buďte první, kdo napíše příspěvek k této položce.
Abplast je ryze česká firma s dlouholetou tradicí a velkými zkušenostmi v oblasti výroby a prodeje plastových výrobků jako jsou bazény, bazénové zastřešení, nádrže, jímky, čistírny, septiky, vodoměrné šachty a mnoho dalších. Jejich produkty najdete u mnoha spokojených zákazníků po celé České republice a dalších 10 zemích Evropy.
Jednou ze specializací firmy je kompletní řešení odpadních a dešťových vod, včetně specifických poptávek z chemického, zemědělského, potravinářského průmyslu i dalších odvětví. Jedná se o autorizovanou distributorní síť biologických čistíren odpadních vod slovenského výrobce Aquatec. Abplast je firma rodinného charakteru s individuálním přístupem a velkým důrazem na kvalitu prodávaných výrobků.
Na našem e-shopu můžete od tohoto výrobce najít například vodoměrnou šachtu Abplast Natur 1200 x 1500 mm.




