Sestava pro dům Li-Lo 7500 l Essential
Kód: 250053Související produkty
Detailní popis produktu
Kompletní sestava pro využití dešťové vody v domácnosti s nádrží Li-Lo 7500 l
Komponenty
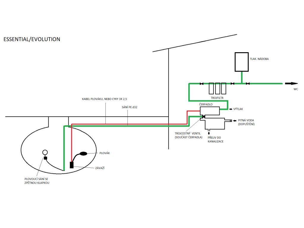
- Li-Lo 7500 l, kopule a PE pochozí poklop - výhodná sada Graf
- Filtrační koš MD pod nátok do nádrže. Možnost zvolení dimenze v DN 110, DN 125, DN 160
- Domácí vodárna Essential pro umístění do technické místnosti nebo sklepa, kde nevadí její hlučnost kolem 80 dB. Vodárna je napojena zároveň na pitnou vodu a automaticky na ni přepíná v období nedostatku vody v akumulační nádrži. Vodárna není vhodná na zásobování automatické závlahy trávníku, pouze manuálně hadicí
- Plovoucí sací souprava se zpětnou klapkou 1,5 m dlouhou s plovákem a sítkem, aby byla nasávána co nejčistší voda (ne ze dna ani z hladiny)
- Třístupňový domovní filtr Atlas Hydra Rainmaster Trio s aktivním uhlím
- Bezúdržbová tlaková nádoba 24 l pro prodloužení životnosti čerpadla (šetří počet sepnutí a tlumí rázy při odběrech)
- Souprava pro uchycení tlakové nádoby na zeď
Řešení splňuje platnou legislativu a požadavky správců vodovodů.
Objem nádrže 7500 l doporučujeme pro půdorysné plochy střech od 160 do 210 m2.
Síla stěny akumulační nádrže je cca 8 mm. Díky unikátní ploché konstrukci není třeba kopat hluboko a při krytí stropu nádrže od 700 do 1200 mm může být celá ponořena do podzemní vody.
Nádrže jsou vyráběny v Německu metodou rotačního vylévání polyetylenu do formy (rotomoulding), což umožňuje bezešvé provedení. Strop nádrže může být zakryt max. 1200 mm. Při krytí 700 - 1200 mm může být po svůj strop v podzemní vodě a nevyplave, ani když je prázdná. Nedojde ani k jejímu zborcení, to vše díky její unikátní konstrukci a prostupům (sloupkům), které jsou součástí její robustní konstrukce.
Nádrž má v sobě čtyři otvory DN 110 opatřeny těsněním.
Otvory v nádrži mají různé úrovně. Nejnižší otvor se obvykle používá pro bezpečnostní přeliv do vsaku nebo kanalizace. Vyšší otvory slouží k napojení nátokových potrubí a pro průchod vedení od čerpadla, kabelů atd.
Jednotka ESSENTIAL je řešením pro ty, kdo chtějí automaticky kombinovat užitkovou a pitnou vodu v souladu s legislativními požadavky. Je určena pro instalaci do technické místnosti nebo sklepa, kde nevadí její hlučnější provoz (79dB). Jednotka je vhodná i pro manuální zálivku, nikoliv však pro automatickou závlahu, která má velké okamžité odběry.
Trojfiltr s aktivním uhlím zajistí dokonalou filtraci nečistot z dešťové vody.
Sestava obsahuje vhodné komponenty na využití dešťové vody v domě.
Doplňkové parametry
| Kategorie: | Kompletní sestavy s domácí vodárnou |
|---|---|
| Hmotnost: | 360 kg |
| Objem v litrech: | 7500 |
| Typ nádrže: | Monolitická |
| Materiál: | Polyetylen |
| Maximální možnost zatížení: | 3,5 t |
| Počet otvorů: | 4 |
| Dimenze nátoku a přepadu: | DN 110 |
| ? Maximální krytí v mm: | 1200 |
| Vhodný obsyp: | Drcené kamenivo 4/8, Drcené kamenivo 8/16 |
| Vhodné do podzemní vody: | Ano |
| Délka: | 360 cm |
| Šířka: | 225 cm |
| Výška: | 157 cm |
| Záruka na nádrž: | 20 let |
| Záruka na domácí vodárnu: | 2 roky |
Buďte první, kdo napíše příspěvek k této položce.
Buďte první, kdo napíše příspěvek k této položce.
Společnost Otto Graf GmbH byla založena v roce 1962 s myšlenkou důsledně využívat výhodu odolnosti plastů vůči kyselinám, přičemž zprvu společnost uvedla na trh kontejnery, sudy a nádrže pro vinařství a sklepy. Dále se výroba soustředila na nádrže pro průmyslové aplikace.
V roce 1974 byly na trh uvedeny první dešťové sudy pod sloganem „Dešťová voda je zdarma“, a další produkty pro sběr dešťové vody. Od této doby společnost Graf oblast dešťové vody neustále rozvíjí a své výrobky zaváží do více než 70 zemí po celém světě. Prostřednictvím řady inovací se stala společnost Graf ve správě dešťové vody lídrem. Nádrže na dešťovou vodu vyrábí formou rotomouldingu, která zajišťuje bezešvé provedení.
Od společnosti Graf můžete na našem e-shopu nalézt např. podzemní a nadzemní nádrže na dešťovou vodu, vsakovací objekty, šachty a ostatní příslušenství.




