Sestava pro dům Aband 10000 l Raintronic
Kód: 03-ABARP10000NSouvisející produkty
Detailní popis produktu
Kompletní sestava pro využití dešťové vody v domácnosti i na zahradě s nádrží Aband 10000 l
Sestavy Raintronic patří k našim nejprodávanějším! Tato kompletní sestava obsahuje veškerý sortiment potřebný pro hospodaření s dešťovou vodou v domě i na zahradě.
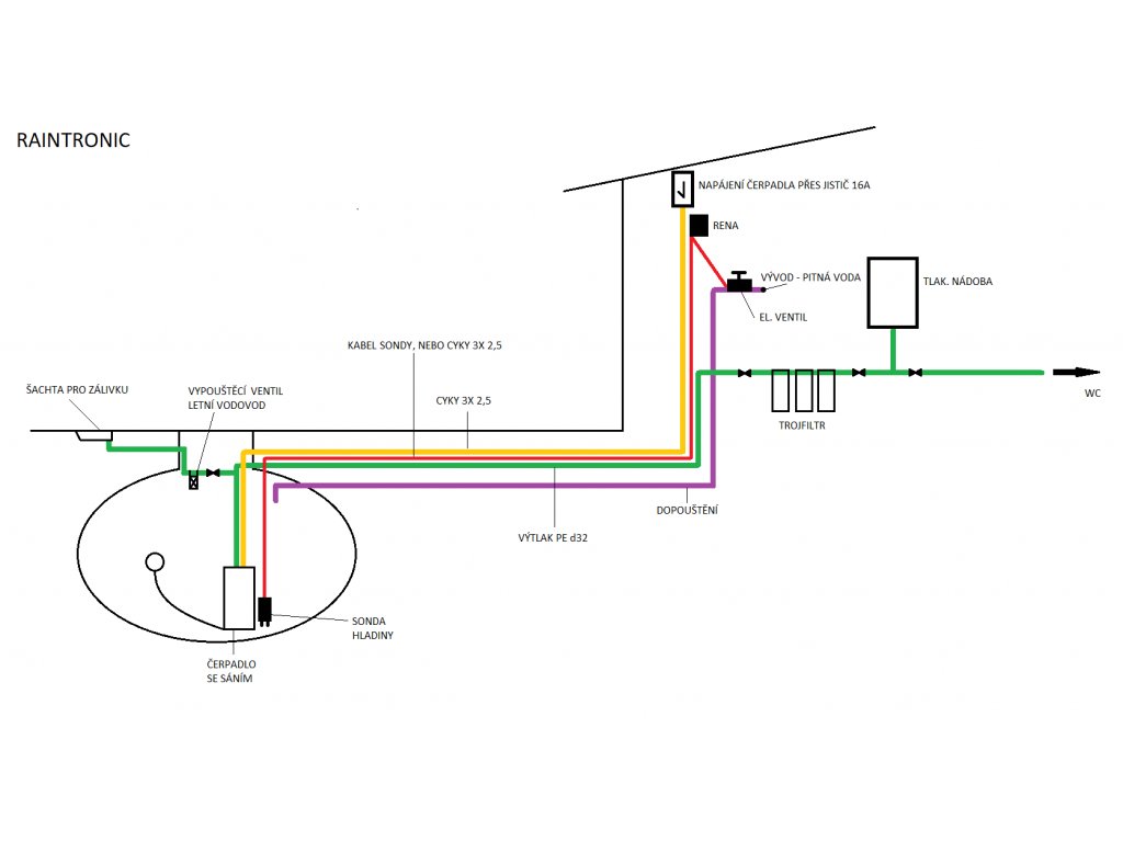
Komponenty
- Podzemní nádrž na dešťovou vodu Aband 10000 l
- Filtrační koš MD dle zvolené dimenze nátokového potrubí (DN 110, DN 125, DN 160)
- Sestava Raintronic
- Ponorné automatické čerpadlo Easy E-Deep 900 X-Ring s tlakovým spínačem a ochranou chodu na sucho. Toto řešení je vhodné i pro zásobování automatické závlahy trávníku
- Plovoucí sací souprava 1 m s plovákem a sítkem, aby byla nasávána co nejčistší voda (ne ze dna ani z hladiny)
- Řídící jednotka RENA s elektroventilem a sondou hladiny s kabelem 15 m (spodní a horní úroveň dopouštění)
- Třístupňový domovní filtr Atlas Hydra Rainmaster Trio se třemi nádobami a mechanickým čištěním
- Bezúdržbová tlaková nádoba 8 l pro prodloužení životnosti čerpadla (šetří počet sepnutí a tlumí rázy při odběrech)
- Souprava pro uchycení tlakové nádoby na zeď
- Šachta rozvodu vody Gard-Rain 15 - ND vč. nerezového šroubení
Řešení splňuje platnou legislativu a požadavky správců vodovodů.
POZOR, nádrž musí mít bezpečnostní přeliv alespoň 15 cm pod přívodem pitné vody do nádrže.
Objem nádrže 10000 l doporučujeme pro půdorysné plochy střech od 230 do cca 280 m2.
Jedná se o skutečně kvalitní monolitickou nádrž, při jejíž výrobě je dbáno na statické vlastnosti a každý kus prochází přísnou výstupní kontrolou!
Nátok standardně vrtáme v dimenzi DN 160 a přepad v dimenzi DN 110. Na přání ale lze velikost dimenze změnit. Umístění nátoku a přepadu si lze vybrat, neboť je možný ze všech 4 stran.
Síla stěny akumulační nádrže je v průměru 12 mm. Krytí válce nádrže může být bez dalšího statického posouzení a zajištění max. 650 mm.
K podzemní nádrži je možné zakoupit nástavec pro hlubší uložení a k poklopu bezpečnostní plastový zámek.
Nádrže jsou vyráběny v České republice metodou rotačního tváření polyetylenu do formy (rotomoulding), což umožňuje bezešvé provedení.
Nádrže Aband nesmí být instalovány do míst s pojezdem automobilů. Zvládají pouze pochozí zatížení nebo zahradní sekačku.
Podzemní nádrže Aband nejsou určeny do podzemní vody, pro tu máme speciální nízké robustní nádrže Iris nebo Li-Lo. Obetonování nádrží Aband není přípustné. Nádrže Aband je třeba obsypávat drceným kamenivem frakce 0-16 mm. Stejně tak jako podklad slouží drcené kamenivo frakce 0-16 mm v tloušce 150 – 200 mm. Základová vrstva by měla být hutněna vibrační deskou min. 100 kg.
Ponorné tlakové čerpadlo Easy E-Deep 900 X-Ring pro použití s plovoucí sací soupravou má vestavěnou integrovanou elektroniku určenou pro automatické zahájení a ukončení provozu čerpadla.
Řídící jednotka RENA se sondou 15 m je souprava pro doplňování vody a pro kontrolu dostatečné zásoby v zásobnících dešťové vody. Sestava obsahuje ideální produkty s využitím dešťové vody v domě.
Doplňkové parametry
| Kategorie: | Kompletní sestavy s dopouštěním nádrže |
|---|---|
| Hmotnost: | 350 kg |
| Objem v litrech: | 10000 |
| Typ nádrže: | Monolitická |
| Materiál: | Polyetylen |
| Maximální možnost zatížení: | Pochozí |
| Počet otvorů: | 4 |
| Dimenze nátoku a přepadu: | DN 110, DN 125, DN 160 |
| Vhodný obsyp: | Drcené kamenivo 0/16 |
| Vhodné do podzemní vody: | Ne |
| Délka: | 322 cm |
| Šířka: | 235 cm |
| Výška: | 275 cm |
| Záruka na nádrž: | 10 let |
| Záruka na čerpadlo: | 5 let |
Hodnocení produktu
Buďte první, kdo napíše příspěvek k této položce.
Diskuze
Buďte první, kdo napíše příspěvek k této položce.
Abplast je ryze česká firma s dlouholetou tradicí a velkými zkušenostmi v oblasti výroby a prodeje plastových výrobků jako jsou bazény, bazénové zastřešení, nádrže, jímky, čistírny, septiky, vodoměrné šachty a mnoho dalších. Jejich produkty najdete u mnoha spokojených zákazníků po celé České republice a dalších 10 zemích Evropy.
Jednou ze specializací firmy je kompletní řešení odpadních a dešťových vod, včetně specifických poptávek z chemického, zemědělského, potravinářského průmyslu i dalších odvětví. Jedná se o autorizovanou distributorní síť biologických čistíren odpadních vod slovenského výrobce Aquatec. Abplast je firma rodinného charakteru s individuálním přístupem a velkým důrazem na kvalitu prodávaných výrobků.
Na našem e-shopu můžete od tohoto výrobce najít například vodoměrnou šachtu Abplast Natur 1200 x 1500 mm.




