Sestava pro dům Aquastay 5000 l Evolution
Kód: AQUASTAY-5000-EVOLUTIONSouvisející produkty
Detailní popis produktu
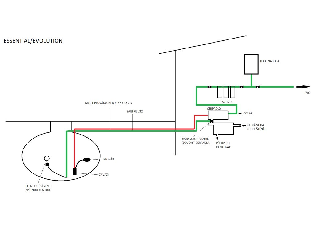
Kompletní sestava pro využití dešťové vody v domácnosti s nádrží AQUAstay 5000 l
Komponenty
- Podzemní nádrž na dešťovou vodu AQUAstay 5 000 l
- Filtrační koš pod nátok do nádrže. Možnost zvolení dimenze v DN 110, DN 125, DN 160
- Automatická jednotka Ecorain Evolution pro čerpání dešťové vody s přepínáním na vodu z řadu s hlavním cílem dát přednost použití dešťové vody místo vody z vodovodu
- Plovoucí sací souprava se zpětnou klapkou 1,5 m dlouhou s plovákem a sítkem, aby byla nasávána co nejčistší voda (ne ze dna ani z hladiny)
- Třístupňový domovní filtr Atlas Hydra Rainmaster Trio s aktivním uhlím
- Bezúdržbová tlaková nádoba 24 l pro prodloužení životnosti čerpadla (šetří počet sepnutí a tlumí rázy při odběrech)
- Souprava pro uchycení tlakové nádoby na zeď
Řešení splňuje platnou legislativu a požadavky správců vodovodů.
Objem nádrže 5000 l doporučujeme pro půdorysné plochy střech od 110 do cca 130 m2.
Velmi kvalitní podzemní akumulační nádrž na dešťovou vodu od slovinského výrobce. Samonosná monolitická nádrž vyrobena z čistého polyetylenového granulátu (ne recyklát). Instalace bez betonu i do míst pojížděných osobními auty. Součástí dodávky je robustní plastový uzamykatelný poklop pro pochozí zatížení. Ke každé nádrži dodáváme dvě těsnění (nátok a odtok). Možnost připojení je DN 110 – DN 160.
Krytí akumulační části nádrže může být max. 800 mm.
Nádrže AQUAstay je možné instalovat i do míst s vysokou hladinou podzemní vody. Je však třeba pod nádrž vybudovat železobetonovou desku min. síly 150 mm. Do této desky přikotvit nerezové pásoviny, které zajistí nádrž proti vzdutí. Staticky je na tom nádrž tak dobře, že tlaky od podzemní vody vydrží, i když je prázdná.
Sestava obsahuje automatickou jednotku Ecorain Evolution pro čerpání dešťové vody s přepínáním na vodu z řadu s hlavním cílem dát přednost použití dešťové vody místo vody z vodovodu.
Třístupňová filtrace s aktivním uhlím zajistí nejvyšší kvalitu čištění dešťové vody.
Sestava obsahuje vhodné příslušenství pro využití dešťové vody v domě.
Doplňkové parametry
| Kategorie: | Kompletní sestavy s domácí vodárnou |
|---|---|
| Hmotnost: | 216 kg |
| Objem v litrech: | 5000 |
| Typ nádrže: | Monolitická |
| Maximální možnost zatížení: | 2,2 t |
| Počet otvorů: | 4 |
| Dimenze nátoku a přepadu: | DN 110, DN 125, DN 160 |
| ? Maximální krytí v mm: | 800 |
| Vhodný obsyp: | Drcené kamenivo 0/16 |
| Vhodné do podzemní vody: | Nutná stavební opatření |
| Délka: | 245 cm |
| Šířka: | 170 cm |
| Výška: | 200 cm |
| Záruka na nádrž: | 2 roky |
| Záruka na domácí vodárnu: | 2 roky |
Hodnocení produktu
Buďte první, kdo napíše příspěvek k této položce.
Diskuze
Buďte první, kdo napíše příspěvek k této položce.
Výrobce Aplast je jednou z předních společností zabývajících se zpracováním plastových hmot (rotační formování) ve Slovinsku a ve střední a východní Evropě. Aktivně pronikají na západní trhy a současně zachovávají výhody na stávajících trzích.
Výrobce Aplast je zaměřen na vývoj vysoce kvalitních a esteticky přijatelných produktů, které splňují základní požadavky: kvalitu, bezpečnost a účinnost.
Na našem e-shopu od tohoto výrobce můžete najít podzemní nádrže na dešťovou vodu Aquastay.




